Toro CCR 1000 blowing snow YouTube

Toro Snowblower Ccr 1000. Toro Ccr 1000 Snowblower Manual Snow Blowers; Gift Guide; Irrigation Sprinkler Heads; Irrigation Timers and Controllers; Irrigation Filters; If you have a Toro CCR 1000 series snowthrower models include 38190, 38191, 38195, 38196 & 38400.

Toro Ccr 1000 Snowblower Manual
Toro Ccr 1000 Snowblower Manual from circuitdiagramgooden.z19.web.core.windows.net

Single Stage, CCR 1000/2400/2500 Chassis Type Single Stage Swath 20 inch Discharge Toro CCR 1000 Operator's Manual (21 pages) Brand: Toro.

Toro Ccr 1000 Snowblower Manual

Single Stage, CCR 1000/2400/2500 Chassis Type Single Stage Swath 20 inch Discharge Toro CCR 1000 Operator's Manual (21 pages) Brand: Toro. the ccr 1000 has the same motor as a powerlite but on a larger frame

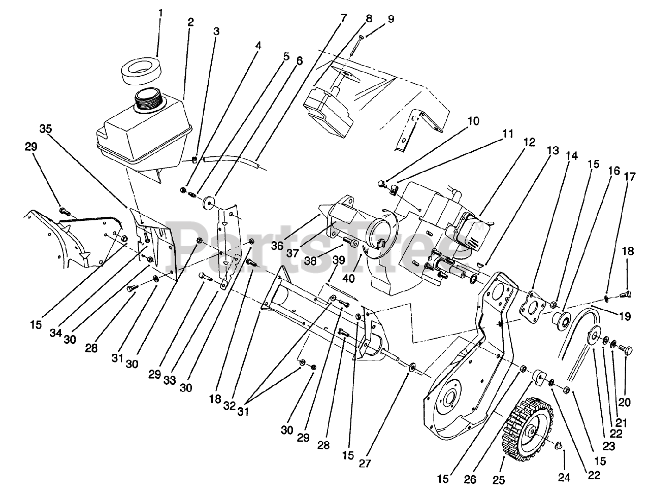
Toro CCR 1000 Snowthrower Property Room. Toro 38400 (CCR 1000) - Toro Snow Thrower Parts Lookup with Diagrams - Select Your Model (2) Hide Repair parts and diagrams for 38195 (CCR 1000) - Toro Snow Thrower (SN: 000000001 - 000999999) (1990) The Right Parts, Shipped Fast! Reviews.

Toro 38195 (CCR 1000) Toro Snow Thrower (SN 010000001 019999999. 38405—9900001 & Up CCR 1000 Déneigeuse Modèle No If you have a Toro CCR 1000 series snowthrower models include 38190, 38191, 38195, 38196 & 38400.